ÈÈÊ͵çºìÍâ´«¸ÐÆ÷
Êä³ö·½·¨£ºÆéá«µçÆ½Êä³ö
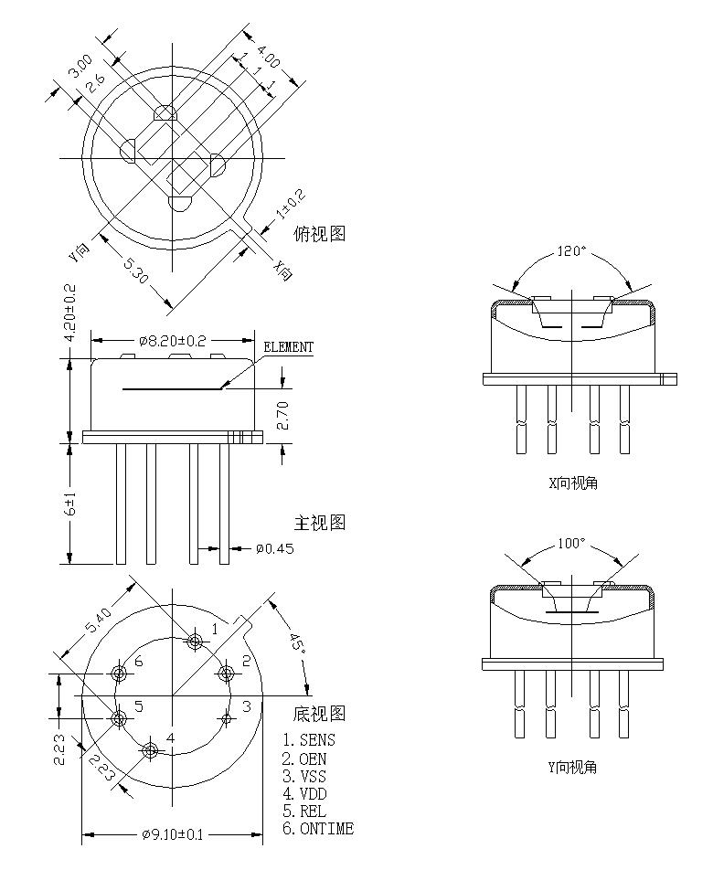
´°¿Ú³ß´ç£º3*4mm
¸ÐÓ¦¾àÀ룺10M£¨Í¸¾µSB-F-02£©²î±ð¾àÀëÏê¼û͸¾µÑ¡ÐÍ
¸ÐÓ¦½Ç¶È£º120¡ã£¨Ë®Æ½Æ«Ïò£©
ÊÂÇéµçѹ£º2.2-3.7V
¾²Ì¬¹¦ºÄ£º£¼12uA
NS612Êǽ«Êý×ÖÖÇÄÜ¿ØÖƵç·ÓëÈËÌå̽²âÃô¸ÐÔª¶¼¼¯³ÉÔÚµç´ÅÆÁÕÏÕÖÄÚµÄÈÈÊ͵çºìÍâ´«¸ÐÆ÷¡£¡£ÈËÌå̽²âÃô¸ÐÔª½«¸ÐÓ¦µ½µÄÈËÌåÒÆ¶¯ÐźÅͨ¹ýÍ·¸ß×迹²î·ÖÊäÈëµç·ñîºÏµ½Êý×ÖÖÇÄܼ¯³Éµç·оƬÉÏ£¬£¬Êý×ÖÖÇÄܼ¯³Éµç·½«ÐźÅת»¯³ÉADCÊý×ÖÐźţ¬£¬µ±PIRÐźÅÁè¼ÝÑ¡¶¨µÄÊý×Ö·§ÖµÊ±¾Í»áÓÐ׼ʱµÄRELµçƽÊä³ö¡£¡£OENʹÄܶ˿ÉʹRELÊä³ö»òͨ¹ý¹âÕÕ´«¸ÐÆ÷×Ô¶¯¿ØÖÆ¡£¡£Ñ¸ËٶȺÍʱ¼ä²ÎÊý̫ͨ¹ýѹµç×èÉèÖᣡ£ËùÓеÄÐźŴ¦Öóͷ£¶¼ÔÚоƬÉÏÍê³É¡£¡£
Êý×ÖÐźŴ¦Öóͷ£
µÍµçѹ¡¢µÍ¹¦ºÄ£¬£¬ÈÈ»úʱ¼ä¶Ì
µçÔ´ÒÖÖÆ±È¸ß£¬£¬¿¹É䯵×ÌÈÅ
ÌØÊâÄÚÖúìÍâ´«¸ÐÆ÷µÄ¶þ½×°ÍÌØÎÖ˹´øÍ¨Â˲¨Æ÷£¬£¬ÆÁÕÏÆäËüƵÂʵÄÊäÈë×ÌÈÅ
¾ßÓÐѸËÙ¶È¡¢×¼Ê±Ê±¼ä£¬£¬¹âÕÕ´«¸ÐÆ÷Ê©ÃÜÌØRELÊä³ö
׼ʱʱ¼äÄ£ÄâÒ»Á¬¿Éµ÷
ÎȹÌÐԺá¢ÓÐÓÃÒÖÖÆÖØ¸´ÎóÐж¯
Ó¦Óõç·¼òÆÓ
1.¼«ÏÞÖµ(Áè¼ÝÏÂÃæ±í¸ñÖÐÊýÖµÔì³ÉÆ÷¼þµÄÓÀÊÀÐÔËð»µ)
| ²ÎÁ¿ | ·ûºÅ | ×îСֵ | ×î´óÖµ | µ¥Î» |
| ÊÂÇéÎÂ¶È | TST | -30 | 70 | ¡æ |
| ÈκÎÒý½Å¼«ÏÞ | Into | -100 | 100 | MA |
| ´æ´¢ÎÂ¶È | TST | -40 | 80 | ¡æ |
2.ÊÂÇéÌõ¼þ (T=25¡ãC, Vdd=3V£¬£¬³ýÉÐÓл®¶¨Íâ)
| ²ÎÁ¿ | ·ûºÅ | ×îСֵ | µä·¶Öµ | ×î´óÖµ | µ¥Î» | ±¸×¢ |
| ÊÂÇéµçѹ | VDD | 2.7 | 3 | 3.3 | V | |
| ÊÂÇéµçÁ÷ | IDD | 9 | 12 | 15 | ¦ÌA | |
| ѸËÙ¶È·§Öµ | VSENS | 100 | 1900 | ¦ÌV | ||
| ̽²â²¨³¤ | ¦Ë | 5 | 14 | um | ||
| Êä³öREL | ||||||
| Êä³öµÍµçÁ÷ | IOL | 10 | MA | VOL<1V | ||
| Êä³ö¸ßµçÁ÷ | IOH | -10 | MA | VOH>(VDD-1V) | ||
| RELµÄµÍµçƽÊä³öËø×¼Ê±¼ä | TOL | 2 | S | ²»¿Éµ÷ | ||
| RELµÄ¸ßµçƽÊä³öÑÓʱʱ¼ä | TOH | 2 | 3600 | S | ||
| ÊäÈëSENS/ONTIME | ||||||
| µçѹÊäÈë¹æÄ£ | 0 | VDD1/2 | V | µ÷Àí¹æÄ£ÔÚ0VºÍVDD1/2¼ä | ||
| ÊäÈëÆ«ÖõçÁ÷ | -1 | 1 | ¦ÌA | |||
| ʹÄÜOEN | ||||||
| ÊäÈëµÍµçѹ£¨¹Ø±Õ£© | VIL | ÔÚ0.4V¡«1.2VÖ®¼äΪ³ÙÖÍÇøÓò | 0.4 | V | OENµçѹ¸ßµ½µÍµÄãÐÖµµçƽ | |
| ÊäÈë¸ßµçѹ£¨¿ªÆô£© | VIH | 1.2 | V | OENµçѹµÍµ½¸ßµÄãÐÖµµçƽ | ||
| ÊäÈëµçÁ÷ | II | -1 | 1 | ¦ÌA | VSS<VIN<VDD | |
| Õñµ´Æ÷ºÍÂ˲¨Æ÷ | ||||||
| µÍͨÂ˲¨Æ÷×èֹƵÂÊ | 7 | Hz | ||||
| ¸ßͨÂ˲¨Æ÷×èֹƵÂÊ | 0.44 | Hz | ||||
| оƬÉϵÄÕñµ´Æ÷ƵÂÊ | FCLK | 64 | KHz | |||
²úÆ·³ß´çͼ

×¢ÖØÊÂÏî
´«¸ÐÆ÷µÄ³ö³§²ÎÊý£¬£¬¾ùÔÚ±ê×¼ºÚÌå¼°Îȹ̲âÊÔÇéÐÎϾÓÉÊý·ÖÖÓÎȹÌʱ¼äºó²âÊÔÈ¡µÃ¡£¡£
´«¸ÐÆ÷ÐèÁ¬Ïµ·ÆÄù¶û͸¾µÊ¹ÓõִïÀíÏëµÄ¸ÐÓ¦½Ç¶È¼°¸ÐÓ¦¾àÀë¡£¡£
´«¸ÐÆ÷µÄ¸ÐÓ¦¾àÀëÓëÇéÐÎÎÂʪ¶È¡¢ÊÕÂÞÄ¿µÄµÄζȺÍÒÆ¶¯Æ«Ïò¡¢·ÆÄù¶û͸¾µ¡¢·Å´ó±¶ÊýÉèÖþùÓÐÖ±½Ó¹ØÏµ£¬£¬Ê¹ÓÃʱÇë×ÛºÏ˼Á¿¡£¡£
´«¸ÐÆ÷ÄÚ²¿Ãô¸ÐÔª¼þ½ÏΪ±¡´à£¬£¬Ê¹ÓÃʱÇëÇáÄÃÇá·Å£¬£¬¸ßƵÕ𾪻òµøÂäײ»÷¿ÉÄܵ¼ÖÂÃô¸ÐÔª¼þ±¬·¢¶ÏÁÑ¡£¡£
´«¸ÐÆ÷´°¿ÚΪ¹è»ù°ëµ¼ÌåÌØÊâÖÊÁÏÕæ¿Õ¶ÆÄ¤Â˹⾵Ƭ£¬£¬Ê¹ÓÃʱÇëÎðÓÃÊÖ»òÓ²ÎïÖ±½Ó½Ó´¥¡£¡£
´«¸ÐÆ÷´°¿ÚÑ¡ÐÍ£ºÄ£ÄâÖ±²å˫Ԫ²úÆ·£ºS£º3*4mm£¬£¬B£º3.8*5mm£¬£¬Êý×ÖÖ±²å˫Ԫ²úÆ·£ºS£º3*4mm£¬£¬L£º3.8*5mm£¬£¬M£º4.2*5.2mm,Ö±²åËÄÔª²úÆ·£ºX£º4*4mm£¬£¬Q£º4.9*4.9mm¡£¡£ÏêÇéÇëÓëÓªÒµÔ±Ïàͬ¡£¡£
´«¸ÐÆ÷ÒýÏß³¤¶ÈÑ¡ÐÍ£ºÍ¨ÀýĬÈÏ13.5mm£¬£¬ÈôÓÐÆäËûÐèÇó¿ÉÏêѯӪҵԱ£¬£¬Ö§³Ö¶¨ÖÆÒýÏß³¤¶È¡£¡£
´«¸ÐÆ÷ÆäËûÏêϸÐÅÏ¢ÇëÏê¼û²úƷ˵Ã÷Êé¡£¡£