Êä³ö·½·¨£ºÄ£ÄâÐźÅÊä³ö
´°¿Ú³ß´ç£º3*4mm
¸ÐÓ¦¾àÀ룺10M£¨Í¸¾µSB-F-02 £©²î±ð¾àÀëÏê¼û͸¾µÑ¡ÐÍ
¸ÐÓ¦½Ç¶È£º120¡ã£¨Ë®Æ½Æ«Ïò£©
ÊÂÇéµçѹ£º3-15V
¾²Ì¬ÔëÉù£º£¼80mV
ÍÆ¼öÅäÌ×IC£ºISB6601L£¬£¬£¬RS8034£¬£¬£¬ISB02£¬£¬£¬BISS0001
ÈÈÊ͵çºìÍâÏß´«¸ÐÆ÷ÊÇʹÓÃÖÊÁÏ×Ô¾õ¼«»¯ËæÎ¶Èת±äµÄÌØÕ÷À´Ì½²âºìÍâÏß·øÉäµÄ´«¸ÐÆ÷£¬£¬£¬½ÓÄÉ˫ѸËÙÔªÉè¼Æ£¬£¬£¬ÒÖÖÆÇéÐÎζÈת±ä±¬·¢µÄ×ÌÈÅ£¬£¬£¬Ìá¸ßÁË´«¸ÐÆ÷µÄÊÂÇéÎȹÌÐÔ¡£¡£¡£¡£±¾²úÆ·Ó¦ÓÃÆÕ±é£¬£¬£¬ÀýÈçÖÇÄÜÍæ¾ß£¬£¬£¬×Ô¶¯µÆ¿ª¹Ø£¬£¬£¬¸ÐÓ¦Ãŵȣ¬£¬£¬ÌØÊâÊÊÓÃÓÚÖÇÄÜÍæ¾ßÓ¦Óó¡ºÏ¡£¡£¡£¡£
Ä£ÄâÐźÅÊä³ö
´°¿Ú³ß´ç 3*4mm ºìÍâ½ÓÊܵ缫 2.6*1mm,2elements ·â×° TO-5 ÎüÊÕ²¨³¤ 5¡ª14¦Ìm ͸¹ýÂÊ ¡Ý 75% Êä³öÐźŷåÖµ[Vp-p] ¡Ý 3500mV ѸËÙ¶È ¡Ý 3300V/W ̽²âÂÊ (D*) 1.4 ¡Á108 cmHz1/2/W ÔëÉù·åÖµ[Vp-p] ¡Ü80mV Êä³öƽºâ¶È <10% Ô´¼«µçѹ 0.3~1.2V µçÔ´µçѹ 2~15V ÊÂÇéζȹæÄ£ -30~+70?C ÉúÑÄζȹæÄ£ -40~+80?C
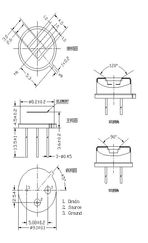
²úÆ·³ß´çͼ

×¢ÖØÊÂÏî
´«¸ÐÆ÷µÄ³ö³§²ÎÊý£¬£¬£¬¾ùÔÚ±ê×¼ºÚÌå¼°Îȹ̲âÊÔÇéÐÎϾÓÉÊý·ÖÖÓÎȹÌʱ¼äºó²âÊÔÈ¡µÃ¡£¡£¡£¡£
´«¸ÐÆ÷ÐèÁ¬Ïµ·ÆÄù¶û͸¾µÊ¹ÓõִïÀíÏëµÄ¸ÐÓ¦½Ç¶È¼°¸ÐÓ¦¾àÀë¡£¡£¡£¡£
´«¸ÐÆ÷µÄ¸ÐÓ¦¾àÀëÓëÇéÐÎÎÂʪ¶È¡¢ÊÕÂÞÄ¿µÄµÄζȺÍÒÆ¶¯Æ«Ïò¡¢·ÆÄù¶û͸¾µ¡¢·Å´ó±¶ÊýÉèÖþùÓÐÖ±½Ó¹ØÏµ£¬£¬£¬Ê¹ÓÃʱÇë×ÛºÏ˼Á¿¡£¡£¡£¡£
´«¸ÐÆ÷ÄÚ²¿Ãô¸ÐÔª¼þ½ÏΪ±¡´à£¬£¬£¬Ê¹ÓÃʱÇëÇáÄÃÇá·Å£¬£¬£¬¸ßƵÕ𾪻òµøÂäײ»÷¿ÉÄܵ¼ÖÂÃô¸ÐÔª¼þ±¬·¢¶ÏÁÑ¡£¡£¡£¡£
´«¸ÐÆ÷´°¿ÚΪ¹è»ù°ëµ¼ÌåÌØÊâÖÊÁÏÕæ¿Õ¶ÆÄ¤Â˹⾵Ƭ£¬£¬£¬Ê¹ÓÃʱÇëÎðÓÃÊÖ»òÓ²ÎïÖ±½Ó½Ó´¥¡£¡£¡£¡£
´«¸ÐÆ÷´°¿ÚÑ¡ÐÍ£ºÄ£ÄâÖ±²å˫Ԫ²úÆ·£ºS£º3*4mm£¬£¬£¬B£º3.8*5mm£¬£¬£¬Êý×ÖÖ±²å˫Ԫ²úÆ·£ºS£º3*4mm£¬£¬£¬L£º3.8*5mm£¬£¬£¬M£º4.2*5.2mm,Ö±²åËÄÔª²úÆ·£ºX£º4*4mm£¬£¬£¬Q£º4.9*4.9mm¡£¡£¡£¡£ÏêÇéÇëÓëÓªÒµÔ±Ïàͬ¡£¡£¡£¡£
´«¸ÐÆ÷ÒýÏß³¤¶ÈÑ¡ÐÍ£ºÍ¨ÀýĬÈÏ13.5mm£¬£¬£¬ÈôÓÐÆäËûÐèÇó¿ÉÏêѯӪҵԱ£¬£¬£¬Ö§³Ö¶¨ÖÆÒýÏß³¤¶È¡£¡£¡£¡£
´«¸ÐÆ÷ÆäËûÏêϸÐÅÏ¢ÇëÏê¼û²úƷ˵Ã÷Êé¡£¡£¡£¡£