TO-39 ·â×°
¸ßѸËÙ¶È
¿ìËÙÏìӦʱ¼ä
Åâ³¥ÐÍ
3.95¦Ìm¡¢10.6¦Ìm Õ´øÂË¹âÆ¬
5357ccÀ˹ά¼Ó˹SPG-EA32-EFºìÍâÈÈÊÍµçÆøÌå´«¸ÐÆ÷¿ÉÒÔͨ¹ýÆäÄÚ²¿µçºÉµÄת±äÀ´ÕÉÁ¿Áù·ú»¯ÁòÆøÌå×é·ÖŨ¶È¡£¡£¡£¡£¡£²úÆ·ÓÉ TO-39½ðÊô¹Ü¿Ç·â×°¶ø³É£¬£¬Ê¹ÓÃÁ½¸ö×ÔÁ¦´°¿Ú£¬£¬»®·Ö×°Óвο¼Â˲¨Æ÷ºÍÕë¶ÔÁù·ú»¯ÁòÆøÌåÑ¡ÔñµÄÕ´øÍ¨Â˲¨Æ÷£¬£¬ÄÚ²¿¼¯³ÉFETµÈµç×ÓÔª¼þ£¬£¬¾ßÓи߿ɿ¿ÐÔ¡¢¸ßѸËٶȵÈÓŵ㡣¡£¡£¡£¡£É°ÔSPG-EA32-EF²úÆ·ÆÕ±éÓ¦ÓÃÓÚÊÒÄÚ¿ÕÆøÖÊÁ¿¼à²â¡¢¹¤ÒµÆøÌå×ß©¼ì²â¼°ÖÐÑë͸·çϵͳ¿ØÖƵÈÁìÓò¡£¡£¡£¡£¡£
TO-39 ·â×°
¸ßѸËÙ¶È
¿ìËÙÏìӦʱ¼ä
Åâ³¥ÐÍ
3.95¦Ìm¡¢10.6¦Ìm Õ´øÂË¹âÆ¬
| ²ÎÊý | Min | Typ. | Max. | units | ²âÊÔÌõ¼þ |
| ´°¿Ú³ß´ç | 2-2.4*2.7 | mm? | |||
| ѸËÙÇøÓò | 1.8*1.8 | mm? | |||
| µçÔ´µçѹ | 2 | 15 | V | ||
| Ô´¼«µçѹ | 0.4 | 0.6 | 1 | V | Blackbody=500K,1Hz@25¡æ |
| ÔëÉùµçѹ | 300 | nV/Hz?/? | Temp=25¡æ | ||
| ±È̽²âÂÊ | 6.8E07 | cm Hz?/?/W | Blackbody=500K,10Hz@25¡æ | ||
| µçѹÏìÓ¦ÂÊ | 400 | 490 | V/w | Blackbody=500K,1Hz@25¡æ with filter/window |
| ÇéÐÎÒªÇó | |
| ÊÂÇéÎÂ¶È | -30¡æ~+85¡æ |
| Öü´æÎÂ¶È | -30¡æ~+100¡æ |
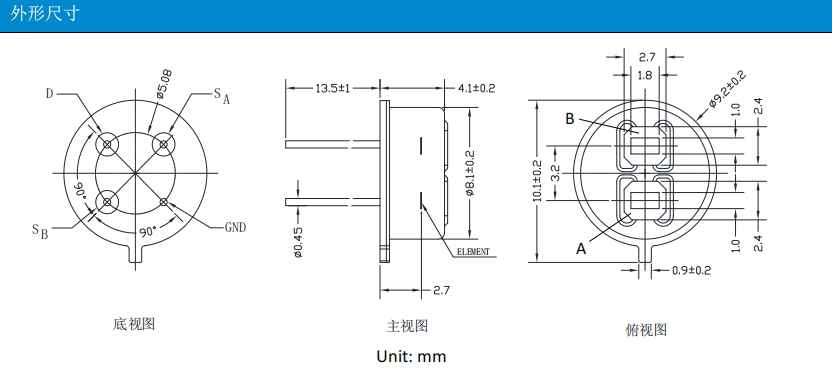
ɰÔSPG-EA32-EFÐÎ×´³ß´çͼ£º
