5357ccÀ­Ë¹Î¬¼Ó˹

5357ccÀ­Ë¹Î¬¼Ó˹

5357ccÀ­Ë¹Î¬¼Ó˹¹ÉƱ´úÂ룺300701רעÈÈÊ͵çºìÍâ´«¸ÐÆ÷Ñз¢ÖÆÔì20Äê

ͳһÏúÊÛÈÈÏߣº400-180-3005
Ä¿½ñλÖãºÊ×Ò³>²úÆ·ÖÐÐÄ>¿É¼û¹â´«¸ÐÆ÷>¹âÃô´«¸ÐÆ÷

LBCETC1-100

¹âÃô´«¸ÐÆ÷

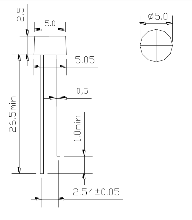
  • Íâ¹Û £º?5

  • ²úÆ·ÌØÕ÷£ºµÍ¹¦ºÄ ¸ß¿É¿¿ÐÔ Ò»ÖÂÐÔ¸ß

  • ¹âµçÁ÷£ºVDD=5V, EV=10Lux   80-120uA

  • ·åÖµ¸Ð¹â²¨³¤£º520nm

  • ¸Ð¹â²¨³¤¹æÄ££º450-700nm

  • ¹¦ºÄ£º70mW

  • ÍÆ¼öÅäÌ×£º¸ßÎȹ̵ç×è

LBCETC1-100¹âÃô´«¸ÐÆ÷
LBCETC1-100¹âÃô´«¸ÐÆ÷

²úÆ·¸ÅÊö

  • Ìæ»»¹Å°å¹âÃôµç×è (Cds)£¬£¬²»º¬ïÓ¡¢Ç¦µÈÓк¦ÎïÖÊ£¬£¬ÇкÏÅ·ÃË ROHS±ê×¼

  • ×Ô¶¯µ÷ÀíÅä¾°¹â£¬£¬Èç LCD£¬£¬ÊÖ»ú£¬£¬ÕÕÏà»ú£¬£¬µçÄÔÉãÏñÍ·µÈ

  • ÊÊÓÃÓÚÖÖÖÖ¹â¿ØÕÕÃ÷²úÆ·ºÍ¹â¿ØÍæ¾ß£ºÈçСҹµÆµÈ

  • ÊÊÓÃÓÚÖÖÖÖºìÍâ¼à¿ØÀà²úÆ·

²úÆ·ÌØÕ÷

  • ·åÖµ¸Ð¹â²¨³¤520nm

  • µÍ¹¦ºÄ

  • ¸ß¿É¿¿ÐÔ

  • ÅúÁ¿Ò»ÖÂÐԺ㬣¬ÍêÈ«½â¾öµÆÆð¶¯¹ýÔç»òÒ»ÖÂÐÔÇ·ºÃµÈÏÖÏñ

  • ÏìÓ¦ËÙÂʿ죬£¬ÐÔÄÜÎȹÌ£¬£¬+85¡æ¸ßÎÂ/65%¸ßʪÌõ¼þÏÂÀÏ»¯1000HÆð¶¯µã²»Æ¯ÒÆ

  • ¿É°´ÒªÇóÌṩ²î±ðÍâÐͳߴ磬£¬Àû±ã×°ÖÃÓÚ²úÆ·µÄÈκÎλÖÃ

Êý¾Ý²ÎÊý

1.×î´ó¶î¶¨Öµ£¨Ta=25¡æ£©

²ÎÊýÃû³Æ·ûºÅ¶î¶¨Öµµ¥Î»
¼¯µç¼«-·¢É伫µçѹVCEO20
V
·¢É伫-¼¯µç¼«µçѹVCEO5
V
¹¦ºÄPc70
mW
ÊÂÇéζÈTopr-25~+85¡æ
Öü´æÎ¶ÈTstg-40~+100¡æ

2.¹âµçÌØÕ÷£¨Ta=25¡æ£©×¢£º²âÊÔ¹âÔ´½ÓÄÉ2850K É«ÎÂLED

²ÎÊýÃû³Æ·ûºÅ²âÊÔÌõ¼þ×îСֵµä·¶Öµ×î´óÖµµ¥Î»
¹âµçÁ÷
IL(1)VDD=5V,EV=10LUX80100
120
¦ÌA
IL(2)VDD=5V,EV=50LUX
300

¦ÌA
IL(3)VDD=5V,EV=100LUX
500

¦ÌA
°µµçÁ÷ICEOVDD=5V,EV=0LUX

0.2¦ÌA
¸Ð¹â·åÖµ²¨³¤
¦Ëp

850
nm
¸Ð¹â²¨³¤¹æÄ£
¦Ëd
450
1050nm
¼¯µç¼«-·¢É伫µçѹ
BvceoIC=100uA Ee=0mW/cm2

70v
·¢É伫-¼¯µç¼«µçѹ
BvecoIE=10uA Ee=0mW/cm2

30v
¼¯µç¼«·¢É伫±¥ºÍµçѹ
Vce(sat)IC=2mA Ee=1mW/cm2

0.4v
ÏìӦʱ¼ä
¿ªÆôʱ¼ä
TRVCE=5V,IC=1mA RL=10K¦¸
25
¦Ìs
¹Ø±Õʱ¼ä
TR30

 ²úÆ·³ß´çͼ

image.png

image.png

image.png

image.png

¶©»õ×Éѯ

ÇëÁôÏÂÄúµÄÏà¹ØÐÅÏ¢£¬£¬ÉÔºó»á°²ÅžͽüµØÇøÓªÒµÖ°Ô±ÓëÄúÁªÏµ¡£¡£¡£¡£

»Øµ½¶¥²¿
¡¾ÍøÕ¾µØÍ¼¡¿¡¾sitemap¡¿