5357ccÀ­Ë¹Î¬¼Ó˹

5357ccÀ­Ë¹Î¬¼Ó˹

5357ccÀ­Ë¹Î¬¼Ó˹¹ÉƱ´úÂ룺300701רעÈÈÊ͵çºìÍâ´«¸ÐÆ÷Ñз¢ÖÆÔì20Äê

ͳһÏúÊÛÈÈÏߣº400-180-3005
Ä¿½ñλÖãºÊ×Ò³>²úÆ·ÖÐÐÄ>·ÆÄù¶û͸¾µ

13120

·ÆÄù¶û͸¾µ

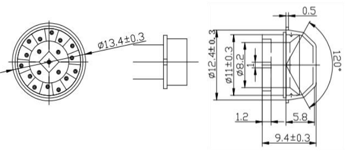
  • ²úÆ·Ðͺţº13120

  • ²Ä ÁÏ£ºHDPE

  • ³ß ´ç£ºÎÆÂ·Ö±¾¶12.5mm
    (¦Õ13.8*9.8mm)

  • ½¹ ¾à£º6mm

  • ¸ÐÓ¦¾àÀ룺¡Ý5Ã×

  • ¸ÐÓ¦½Ç¶È£º120¡ã

  • ÑÕ É«:Ô­É«¡¢ÐþÉ«¡¢Èé°×É«
    £¨¿É½ÓÊÜÑÕÉ«¶¨ÖÆ£©

13120·ÆÄù¶û͸¾µ
13120·ÆÄù¶û͸¾µ

²úÆ·¸ÅÊö

ÆÕ±éÓ¦ÓÃÓÚÈËÌå¸ÐÓ¦¿ª¹Ø£¬ £¬±¨¾¯Æ÷£¬ £¬ºìÍâ²âÎÂÒǺͺìÍâ³ÉÏñµÈ·½Ãæ¡£¡£¡£¡£¡£¿£¿£¿£¿ÉΪÓû§Ìṩ²î±ð¸ÐÓ¦½Ç¶È£¬ £¬¸ÐÓ¦¾àÀ룬 £¬³ß´ç£¬ £¬²âÊԱȡ£¡£¡£¡£¡£·ÆÄù¶û͸¾µ×÷ÓÃ:Ò»ÊǾ۽¹×÷ÓÃ;¶þÊǽ«Ì½²âÇøÓòÄÚ·ÖΪÈô¸É¸öÃ÷ÇøºÍ°µÇø£¬ £¬Ê¹½øÈë̽²âÇøÓòµÄÒÆ¶¯ÎïÌåÄÜÒÔζÈת±äµÄÐÎʽÔÚPIR(±»¶¯ºìÍâÏß̽²âÆ÷)Éϱ¬·¢×ª±äÈÈÊͺìÍâÐźÅ¡£¡£¡£¡£¡£

²úÆ·ÌØÕ÷

  • СҹµÆ

  • ³÷¹ñµÆ

  • ÖÇÄŲ̈µÆ

Êý¾Ý²ÎÊý

ÐͺÅ
Model
½¹¾à
Focus
½Ç¶È
Angle
¾àÀë
Length
³ß´ç
Size
µ¥Î»
Unit
ÖÊÁÏ
Material
13120
6mm
120¡ã
5m
Èçͼ
mm
HDPE

²úÆ·³ß´çͼ

image.png

¶©»õ×Éѯ

ÇëÁôÏÂÄúµÄÏà¹ØÐÅÏ¢£¬ £¬ÉÔºó»á°²ÅžͽüµØÇøÓªÒµÖ°Ô±ÓëÄúÁªÏµ¡£¡£¡£¡£¡£

»Øµ½¶¥²¿
¡¾ÍøÕ¾µØÍ¼¡¿¡¾sitemap¡¿