ÈÈÊ͵çºìÍâ̽²âÆ÷
»ðÑæÌ½²âÆ÷
µ¥Í¨µÀ
TO-39·â×°
µçÁ÷ģʽ
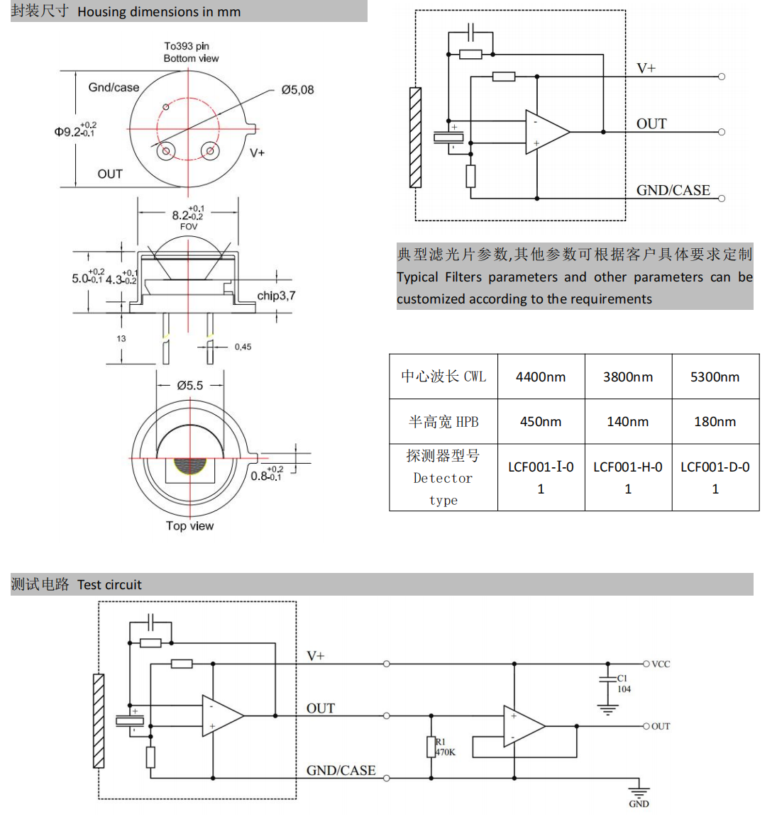
ÊÖÒÕÖ¸±ê ·ûºÅ µä·¶Öµ µ¥Î» ´°¿Ú³ß´ç §¶5.5 mm Ãô¸ÐÇøÓò³ß´ç As §¶2.5 mm ÈÈʱ¼ä³£Êý ¦ÓT 50 MS ÊÂÇéµçѹ Vd 5-26 V ÍÆ¼öÊÂÇéµçѹ Vr 9 ÊÓ³¡½Ç FOV >110 ¡ã ÔëÉùÃܶÈ{10Hz,BW1Hz£¬£¬£¬£¬25¡æ} Vn £¼70 ¦Ìvrms/Hz1/2 µçѹÏìÓ¦ÂÊ£¨ÎÞ´°¿Ú£©{500K,10Hz,25¡æ} Rv £¾200£¬£¬£¬£¬000 V/W ±È̽²âÂÊ£¨ÎÞ´°¿Ú£©{500K,10Hz,BW 1Hz,25¡æ} D £¾4.4E+08 cm Hz1/2/W ÊÂÇéζȹæÄ£ -40¡ª+80 ¡æ ÔËËã·Å´óÆ÷ 400 X
²úÆ·³ß´çͼ
